一、研究的目的和意义
近年来,我国的路灯建设取得了飞速的发展,道路照明质量不断提高,高强度气体放电灯被广泛使用,对改善我国的投资环境,促进经济快速发展,方便群众生活,美化城市和作为一个外向型现代化城市的建设起了很大作用,但是伴随而来的是能耗的大幅度提高,特别是近年来能源价格大幅度提升,使电力耗费成为负担,以西安市为例,1995年全年路灯电费为600万元,到2003年已上升到1800万元,因此,有必要加强技术改进,以期减缓能耗上升的趋势。在全球都在提倡绿色照明的时代,路灯的节能必然成为一种趋势。
二、路灯节电的理论依据
由于气体放电灯消耗的功率是和它的输入电压有关的,以钠灯为例见图c,当电压降低10%时,电流降低10%,而此时功率降低达25%,光通量则降低30%。由于在设计道路照度时已考虑到正常的照度需要,所以不应以降低照度来节约能源消耗。但考虑到在后半夜时车辆人流都大为减少,此时供电电压由于用电负荷减少而升高,所以此时采用降低供电电压而适当降低光源的光通量也是可行的,假设在后半夜供电电压升高10%,此时再降低供电电压10%来运行,则光通量减少为额定值70%,而消耗功率此时可减少50%。

以下是一组实测数据,见下表,采用西安无线电二厂及南京三乐的节能型电感镇流器,250瓦钠灯。由表中可看出当电压从242伏降到198伏时输入功率降低了140.6瓦。比220伏时额定功率值降低了53%。
|
无线电二厂 |
南京三乐 |
|
电压(V) |
220 |
198 |
242 |
220 |
198 |
242 |
|
输入电流(A) |
2.82 |
2.5 |
3.33 |
3.16 |
2.73 |
3.43 |
|
输入功率 (W) |
228.2 |
179.4 |
303.2 |
265.4 |
210.2 |
350.8 |
|
功率因数 |
0.365 |
0.382 |
0.382 |
0.381 |
0.386 |
0.424 |
改革开放以来,我国的发电设备不断竣工并网发电,输配电网经过升压改造,使原来电网末端电压偏低的现象得到改善,但如此带来电网的电压普遍偏高,特别是晚间电压更高,譬如某地区有些单位晚上220伏电压达到254伏,普遍单位接近240伏,此时用电设备在高于设备额定电压状态下运行,将会导致设备过度发热,缩短寿命,实验证明白炽灯的电源电压升高5%,寿命降低47%,荧光灯电压升高10%,寿命降低15%,而大量的电气设备(如电动机、变压器、接触器、电磁铁等)带有铁芯的电气、电压升高则会引起铁损和铜损增加。因为电气设备在高于额定电压和电流状态下运行时,铁芯损耗与总的电压的平方成正比,铜损则与电流的平方成正比,所以形成了较大的能源浪费。而且会降低设备的平均使用寿命。
通过调整供电电压,降低不必要的损耗,不仅可以达到节电的目的,同时,还能保护终端设备,延长设备的平均使用寿命。
在目前的路灯供电系统中,由于供电电压不能调节,使得光源往往不能工作在较合适的状态,现在的光源的寿命已很长,如GE的钠灯寿命已达28000小时,国产的也达18000小时,但实际使用中往往达不到,主要原因是它的工作状态达不到理想状态,根据西安市目前的供电变压器电压检测发现。80%的供电电压偏高,特别是后半夜有的变压器输出电压高达250伏以上,光源长期工作与此环境下,将会大大减低它的使用寿命且浪费了大量的能源。所以,通过调节供电电压的方法不但可以节能,还可延长光源的寿命,是一种较好的节能方式,
三、我国路灯照明节能的现状
提高道路照明效率的方法有多种,如采用高效率光源,灯具等,目前在道路照明中大量的采用了高效率的高压钠灯照明,灯具的效率也在不断提高,以下我们只讨论路灯降压节电的方法及其影响因素。
目前在供电电源端节能的方式主要有两种,一是采用半夜灯,二是采用调压的方式。
半夜灯是通过在下半夜关掉一部分路灯的方法来达到节能,它具有简单易行的特点,缺点是使得道路照明不均匀,且无法解决下半夜电压高而影响光源寿命的问题。
通过降低供电电压的方法不但可以节能,还可延长光源的寿命,是一种较好的节能方式,目前在国内已有地方在进行试运行。
1、目前常用的降压方式:目前应用的交流调压方式主要有接触调压器,感应调压器,移圈调压器,磁性调压器,补偿式调压器,有载调压电力变压器,晶闸管调压器等几种不同方式。
2、常用降压方式比较:对现有照明系统的节能改造,一般采用加装节能设备,较为经济和实用,目前国内销售的照明节能设备很多,其中照明控制调控装置所占比例最大。从工作原理上大致分为三大类。
(1)可控硅斩波型照明节能装置
原理:采用可控硅斩波原理,通过控制晶闸管(可控硅)的导通角,将电网输入的正弦波电压斩掉一部分,从而降低了输出电压的平均值,达到控压节电的目的。
这类节能调控设备对照明系统的电压调节速度快,精度高,可分时段实时调整,有稳压作用,因为主要是电子原件,相对来说体积小、设备轻、成本低。
但该调压方式存在一致命缺陷,由于斩波,使电压无法实现正弦波输出,还会出现大量谐波,形成对电网系统谐波污染,危害极大,不能用在有电容补偿电路中。(现代照明设计要求规定,照明系统中功率因数必须达到0.9以上,而气体放电灯的功率因数在一般在0.5以下,所以都设计用电容补偿功率因数)在国外发达国家,已有明文规定对电气设备谐波含量的限制,在国内,北京、上海、广州等大城市,已对谐波含量超标的设备限制并入电网使用。
大功率可控硅斩波型节电设备,因其自身存在谐波污染的缺陷,如果加装滤波设备,成本太高,是不经济的,所以此类设备是不宜用于照明电路中。
(2)自耦降压式调控装置
自耦变压器与普通变压器的区别在于,自耦变压器的一、二次侧线圈不仅有磁的联系,还有电的联系,所以,在输出电压调节范围不大时它的容量比较小,所以消耗的材料小,造价低,效率高,这类产品最大的优点是克服了可控硅斩波型产品产生谐波的缺陷,实现了电压的正弦波输出,结构和功能都很简单,当然可靠性也比较高。目前应用的有两种方式,即固定抽头方式和连续调节方式。
存在的技术缺陷:
固定多档自耦降压器
由于其核心部件是一个多抽头的变压器,变压比是固定的,一般副边有三到五个降压抽头,分别降5V、10V、15V、20V,一旦接线端固定,降低电压就是固定值,当电网电压波动时,调控装置的输出电压也会上下波动,这样照明的工作电压处在不稳定波动状态,无法起到对电光源的保护作用。如图所示,当电网电压高时,节电率不是最佳状态;而电网电压低时,可能出现欠压现象,造成灯具无法正常点亮,反而降低灯具寿命,这是这类调控装置存在的最大安全缺陷。当用电高峰时,电压过低,电气设备也无法正常运行。
这类调控装置为了能做到对电压的调节一般都用的都是交流接触器来进行切换,这是最简单和常用的办法。由于接触器是在电路的主回路中进行切换,所以,切换的电流是很大的,如果用接触器作为节电产品的电压调整装置的话,其安全性、可靠性和无故障工作寿命都不能保障,存在安全隐患,原因如下:
交流接触器的工作原理是用电磁线圈吸合、断开,来控制触头常开或是常闭,属机械移动部件,只适用于不经常动作的开关场合,如灯具、电器的开起和关断,切换次数是有限的,不适用于频繁切换的场合。
交流接触器在切换动作时,是机械的吸合和断开,所以会有短暂的10~20ms的断电,我们称之为“闪断”,这样的断电会导致HID灯( High Intensity Discharged Lamp—高压气体放电灯,如高压钠灯、金卤灯、高压汞灯等)熄灭。这种灯的特性决定,在熄灭以后,必须等到灯管冷却,蒸气压下降后才能再点亮,一般需要5~10min左右,在使用中,这将是个严重故障。
根据以上原因,交流接触器是不能用来控制照明调控装置进行频繁切换的。所以,生产和销售此类节电产品的厂家,一般做不到实时稳定电压、多时段调控等功能,这也就是这类节电产品的缺点所在。
2)连续调节自耦型降压器:它可通过电刷在线圈的表面平滑移动或滚动,改变线圈的变比而调节输出电压。优点是可实现无级平滑调节,调节精度高,但由于电刷调节回路是串在主回路中,因此承受的电流大,电刷接触不良,会产生火花,引起触点磨损。
(3)智能照明节电器
从前两类节电产品来看,它们各有优缺点,之所以不能得到大量使用,是因为其本身都存在技术缺陷,可控硅(相控)型优点是,可实时精确控制输出电压,满足照明用电的最佳值,缺陷是电压无法实现正弦波输出,有谐波污染。而自耦降压型的优点正好是能做到电压正弦波输出,却不能实现电压的自动精确控制,只能固定降电压,不能升压和稳压,如果能将两者优势结合互补,去除缺陷,就是相对比较理想的照明节能产品了。
智能照明调控装置工作原理,采用微电脑控制系统,实时采集输出、输入电压信号与最佳照明电压比较,通过计算进行自动调节,从而保证输出最佳的照明系统工作电压。
智能照明调控装置在结合前两类节能产品的优点的基础上,克服了其中存在的缺陷,具体优点体现在以下四个方面:
优化电力质量,节约照明用电
稳定最佳工作电压
针对电网电压偏高和波动等现象,调控装置可根据用户现场实际需求,实时在线调控输出最佳照明工作电压,并能将其稳定在±2%以内,有效提高电力质量,从而达到节电10%~40%的效果。
多时段节能运行
根据用户实际的照明需求,调控装置还可通过程序进行多时段节能电压设置,从而满足用户不同光源、不同时间的需求,实现最佳照明状态和最大节电率。
实时稳压、控压
在电压波动很大的地方,如电气设备比较多的厂区,电压波动达到±15%;路灯后半夜的供电电压也会达到250V。智能调控装置高稳定的最佳照明电压,能够延长电光源寿命2~4倍,减少照明运行、维护成本30%~50%。
智能照明调控
为了满足不同用户对照明灯具控制的需要,智能调控装置有三种运行模式可供选用:
端子控制节能运行模式
时间控制节能运行模式
通讯控制节能运行模式
可按现场实际情况,通过天文钟、智能探头或内部编程、远程计算机遥控,实现时控、光控、程控等多种智能化控制。并可根据不同时段、不同灯具、不同亮度要求,每相独立调节,允许100%不平衡。
适用性、可靠性
调控装置每相可独立调节,可操作性强,可以承受三相100%的不平衡负载,且保证单相的故障绝不影响其它两相的正常运行。同一个装置可以带不同类型光源负载,还可以独立调节每相的输出电压。
调控装置采用手动和自动双旁路系统,以保证照明设备不断电,正常安全运行;
调控装置控制部分不含交流接触器,无触点和移动元件,保证高可靠性和低功耗。
可选配GSM/GPRS全球实时(手机)监控系统,通过显示、声音等信号监测设备运行,故障报警,及时采取保护措施。
这类照明节电产品成本略高于前两种,可实现智能照明调控、有效保护电光源、降低电能消耗的功能,使用的经济性和可靠性远远好于前两种产品,是目前比较成熟的照明控制解决方案。
4)产品的形式:
此类产品大多采用了补偿变压器调节电压的方式。
A:补偿变压器调节电压的原理:

补偿变压器的二次绕组串联在主电路中,相位和输入电压相反,补偿式调压变压器的一次绕组接入一个补偿电压,如图所示。若不计补偿变压器阻抗压降,则从图可见:输出电压=输入电压-补偿电压,补偿电压可通过在输出电压或输入电压上取出,当补偿电压等于输入电压时,输出电压=输入电压-补偿电压,当补偿电压等于零时,输出电压=输入电压。由于它的调节是在一次线圈,所以在主回路中是没有任何触点的。
补偿式调压器输出为正弦波无谐波干扰,它的变压器容量仅为需要调节的部分的容量,因此可用较小的容量控制较大的容量输出,输出效率高,调节方便,过载能力强,很适合在大中功率场合下应用。
B:目前产品的主要种类
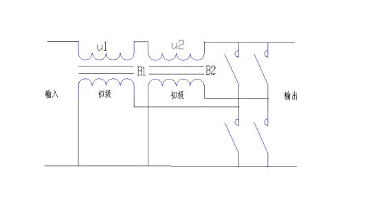
矩阵型调节器

此类调节器在电路中串入了多组补偿变压器,通过调节不同的继电器触点,便可在输出端得到不同的电压组合,如图中输出可以等于输入减去u1,或减去u2,或减去(u1+u2)。当补偿变压器组数足够多时可得到需要的任意调节精度,缺点是电压调节为有级调节,当补偿变压器组数少时,一级调节的电压可能产生跳跃,电路复杂,且为有触点切换,当切换大电感的初级线圈时,容易产生过电压和冲击电流,使得运行不稳定。
C:无触点补偿式调压器
无触点补偿式调压器是用可控硅代替了上面图中的继电器触点,可控硅工作在全导通状态,因此无谐波产生,可控硅交流稳压器,是针对目前大部份电网电压不稳定、突变频繁的状况而研制生产的新一代交流稳压器,它集合了微机测控、可控硅无触点开关和变压器技术于一体,具有容量大、体积小、响应快、无噪声等特点,具有如下技术特色:
可控硅无环流控制:针对可控硅电流过零自然关断的特性,采用了精确相位控制和过零触发技术,使可控硅在切换时无冲击性共态电流,使可控硅稳压器完全撇除了限流电阻,可大幅提高整机的可靠性和效率。
变压器的优化设计:可控硅交流稳压器采用三相分调系统,合理的变比和精确的设计使得稳压器具有极其小巧的体积,在所有的稳压器产品中,稳压器的容量体积比是最高的。
高度智能化: 稳压器每一相都有独立的微机测控装置,监控该相的输入电压、输出电压和电流,甚至监控可控硅模块组的温度以便控制散热风机。
D;补偿式大功率电力稳压器
该系列稳压器是目前世界范围应用最为广泛的稳压电源,新一代稳压器的主要组成模式,利用补偿变压器+调压变压器(接触式调压器)+伺服传动机构这一模式。因此,稳压工作原理与继电器控制方式的基本相同。区别在于它得调节是无级平滑调节的,控制电路采用单片机控制,使其具备除基本的稳压、相序检测、直通、过载、过欠压保护等功能外,还具备故障报警诊断、串行通信口遥测、遥信等功能,真正实现微机的智能化控制。本系列产品与其他型式稳压器相比具有容量大、效率高、无波形畸变、电压调节平稳,适用负载广泛,能承受瞬时超载,可长期连续工作,手控自控随意切换,设有过压、过流、相序、机械故障自动保护装置,以及体积小、重量轻,使用安装方便,运行可靠等特点
(3)有载调压电力变压器:有载调压电力变压器则为路灯供电变压器,但可在有负载时直接调整输出电压,此方法不需再另外附加调压装置,输出波形好,效率高,但投入较大。宜用在新建线路中。
(4)目前应用情况。目前节能产品较多,也有不少城市在应用,但基本处于少量的试点应用。
四、应用方法和影响因素
路灯降压节能是近几年才提出的,如何更好的去应用还有很多工作要做:
需要通过实验验证光源输出光通量和输入电压的关系,理论上讲,负载的功率和他的输入电压是成平方关系的,即输入电压降低百分之十,负载消耗的功率降低百分之二十,此时光通量也应降低百分之二十,但现有的节能产品则认为气体放电灯不同于白炽灯,电压降低百分之十,光输出只降低7—10%,这需要通过试验来验证。
验证光源在道路上的照度和输入电压的关系
光源在输入电压降低时对启动时的影响以及和寿命的关系,启动时降低电压是不是有利需要研究,气体放电灯他的寿命在电压降低时寿命是不是能够延长,有资料说降电压对寿命没有影响,现在还没有数据证明。
研究调节光源输入电压的方法和调节电源的效率,目前的节能产品形式较多,有有触点的,又无触点的,有有级调压的,有无级调压的,调压的精度取多少合适,须通过研究试验选取比较适合路灯运行的方式。